HR-TC220
Cat:Konusni koturalni transporter
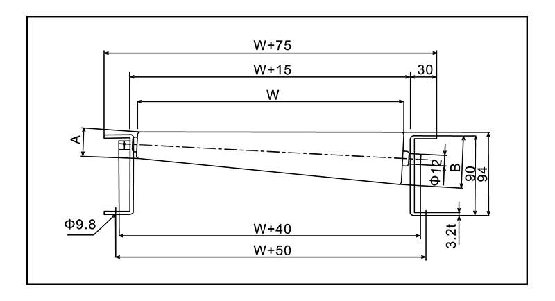
Širina W (mm) 200 A (φ) Promjer 31....
Napredna struktura, visokokvalitetna performansi, jednostavna za upotrebu, visoka pouzdanost i izdržljivost.
Poznat i kao transporter valjka za krivulju, transporter konusa konusa omogućuje kutove okretanja od 30, 45, 60, 90 i 180 stupnjeva. Uglavnom se koristi za promjene smjera u transportnim linijama, s 30, 45 i 60 stupnjeva koji se često koriste za razgranavanje i spajanje transportera. Ovaj transporter je lagana vrsta s opterećenjem uglavnom ne veće od 200 kg.
| R | Tip \ širina | 200 | 300 | 400 | 500 | 600 | 700 | 800 | 900 | 1000 | 1100 | 1200 | Valjka |
| 220 | HR-TC220 | ○ | - | - | - | - | - | - | - | - | - | - | 50,75.100 |
| 320 | HR-TC320 | - | ○ | - | - | - | - | - | - | - | - | - | 50,75,100 |
| 500 | HR-TC500A | - | ○ | ○ | ○ | ○ | ○ | - | - | - | - | - | 75 |
| 700 | HR-TC700 | ○ | ○ | ○ | ○ | ○ | - | - | - | - | - | - | 75.100,150 |
| 900 | Hr-tcn | - | ○ | ○ | ○ | ○ | ○ | ○ | - | - | - | - | 75.100,150 |
| HR-TC900 | ○ | ○ | ○ | ○ | ○ | - | - | - | - | - | - | 75.100,150 | |
| HR-TC900A | - | ○ | ○ | ○ | ○ | ○ | ○ | - | - | - | - | 75,100 | |
| HR-TCL | - | - | - | - | - | - | - | ○ | ○ | ○ | ○ | 75.100.150.200 | |
| 1200 | HR-TC1200 | ○ | ○ | ○ | ○ | ○ | - | - | - | - | - | - | 75.100,150 |
| HR-TC1200A | - | - | - | - | - | - | ○ | ○ | ○ | ○ | ○ | 75.100 | |
| 1600 | HR-TC1600 | - | - | ○ | ○ | ○ | ○ | ○ | - | - | - | - | 75.100.150.200 |

Širina W (mm) 200 A (φ) Promjer 31....
| Širina W (mm) | 200 | |
| A (φ) | Promjer | 31.3 |
| Debljina | 3.5 | |
| B (φ) | Promjer | 60.5 |
| Debljina | 2.0 | |
| Punjenje valjka (kg) | 100 | |

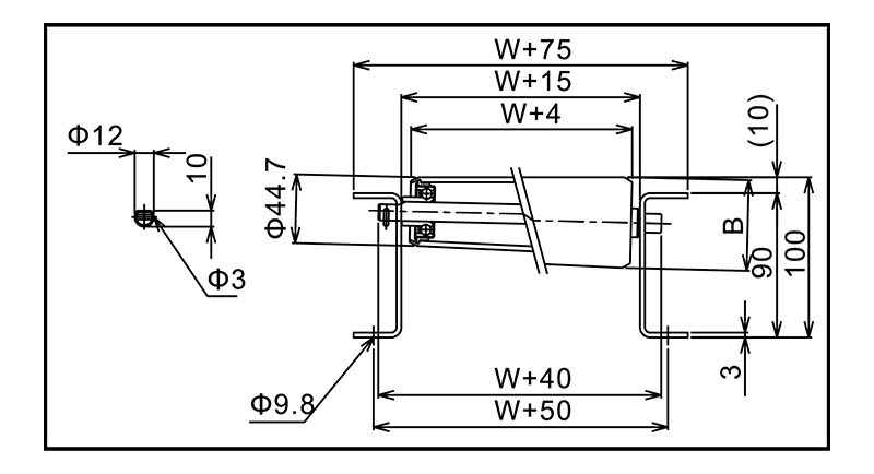
Širina W (mm) 300 A (φ) Promjer 31....
| Širina W (mm) | 300 | |
| A (φ) | Promjer | 31.2 |
| Debljina | 3.6 | |
| B (φ) | Promjer | 60.5 |
| Debljina | 2.1 | |
| Punjenje valjka (kg) | 100 | |

Širina W (mm) 300 400 500 600 ...
| Širina W (mm) | 300 | 400 | 500 | 600 | 700 | 800 | |
| A (φ) | Promjer | 42.7 | 42.7 | 42.7 | 42.7 | 42.7 | 42.7 |
| Debljina | 3.2 | 3.2 | 3.1 | 3.1 | 3.1 | 3.1 | |
| B (φ) | Promjer | 56.8 | 61.3 | 66.4 | 71.3 | 76.2 | 80.0 |
| Debljina | 2.1 | 2.1 | 2.1 | 2.1 | 2.0 | 2.0 | |
| Punjenje valjka (kg) | 100 | 90 | 85 | 76 | 59 | 54 | |

Širina W (mm) 900 1000 1100 1200 ...
| Širina W (mm) | 900 | 1000 | 1100 | 1200 | |
| A (φ) | Promjer | 42.7 | 42.7 | 42.7 | 42.7 |
| Debljina | 3.5 | 3.8 | 4.5 | 4.5 | |
| B (φ) | Promjer | 86.7 | 91.0 | 95.3 | 100.0 |
| Debljina | 2.0 | 1.8 | 2.0 | 1.8 | |
| Punjenje valjka (kg) | 110 | 95 | 87 | 80 | |

Širina W (mm) 200 300 400 500 ...
| Širina W (mm) | 200 | 300 | 400 | 500 | 600 | |
| A (φ) | Promjer | 41.3 | 41.3 | 41.3 | 41.3 | 41.3 |
| Debljina | 3.3 | 3.3 | 3.3 | 3.3 | 3.3 | |
| B (φ) | Promjer | 52.2 | 57.6 | 63.1 | 68.6 | 74.0 |
| Debljina | 2.5 | 2.4 | 2.4 | 2.3 | 2.3 | |

Širina W (mm) 200 300 400 500 ...
| Širina W (mm) | 200 | 300 | 400 | 500 | 600 | |
| A (φ) | Promjer | 45.0 | 45.0 | 45.0 | 45.0 | 45.0 |
| Debljina | 3.2 | 3.2 | 3.2 | 3.2 | 3.2 | |
| B (φ) | Promjer | 54.9 | 59.9 | 64.9 | 69.8 | 74.8 |
| Debljina | 2.2 | 2.2 | 2.1 | 2.1 | 2.0 | |

Širina W (mm) 200 300 400 500 ...
| Širina W (mm) | 200 | 300 | 400 | 500 | 600 | |
| A (φ) | Promjer | 48.0 | 48.0 | 48.0 | 48.0 | 48.0 |
| Debljina | 3.1 | 3.1 | 3.1 | 3.1 | 3.1 | |
| B (φ) | Promjer | 56.8 | 61.2 | 65.7 | 70.1 | 74.5 |
| Debljina | 2.3 | 2.3 | 2.2 | 2.2 | 2.1 | |

Širina W (mm) 400 500 600 700 ...
| Širina W (mm) | 400 | 500 | 600 | 700 | 800 | |
| A (φ) | Promjer | 50.0 | 50.0 | 50.0 | 50.0 | 50.0 |
| Debljina | 3.0 | 3.0 | 3.0 | 3.0 | 3.0 | |
| B (φ) | Promjer | 63.0 | 66.3 | 69.5 | 72.8 | 76.0 |
| Debljina | 2.3 | 2.2 | 2.2 | 2.1 | 2.0 | |

Širina W (mm) 300 400 500 600 ...
| Širina W (mm) | 300 | 400 | 500 | 600 | 700 | 800 | |
| A (φ) | Promjer | 42 | 42 | 42 | 42 | 42 | 42 |
| Debljina | 2 | 2 | 2 | 2 | 2 | 2 | |
| B (φ) | Promjer | 79 | 91 | 103 | 116 | 128 | 140 |
| Debljina | 20.5 | 26.5 | 32.5 | 39.0 | 45.0 | 51.0 | |

Širina W (mm) 200 300 400 500 ...
| Širina W (mm) | 200 | 300 | 400 | 500 | 600 | 700 | |
| A (φ) | Promjer | 44.7 | 44.7 | 44.7 | 44.7 | 44.7 | 44.7 |
| Debljina | 3.5 | 3.5 | 3.5 | 3.5 | 3.5 | 3.5 | |
| B (φ) | Promjer | 54.6 | 59.6 | 64.5 | 69.5 | 74.4 | 75 |
| Debljina | 2.4 | 2.3 | 2.3 | 2.2 | 2.2 | 2.2 | |

Tip Ocjena Krutost Toplin Hladnoća ...
| Tip | Ocjena | Krutost | Toplin | Hladnoća | Otpor nafte | Nositi otpor | |||
| Prirodna guma | NR | Oko 60 | 120c | -50 ° ℃ | X | O | |||
| Guma za ding nitril | NBR | Oko 60 | 130c ° | -10 ° C | O | O | |||
| Poliuretanska guma | Pu | Oko 90 | 80c ° | -30 ° C | O | O | |||
| Prirodna guma | Guma za ding nitril | Valjak | Promjer*debljina*promjer osi | Širina valjka | |||||
| RR-4812p | RRG-4812P | R-3812p | 48*5*12 | 100 ~ 1500 | |||||
| RR-4816 | RRG-4816 | R-3816 | 48*5*12 | 100 ~ 1500 | |||||
| RR-6721p | RRG-6721P | R-5721p | 67*5*12 | 100 ~ 1500 | |||||

Tipovi obloge Prednosti Debljina obloge Elektri...
| Tipovi obloge | Prednosti | Debljina obloge |
| Električni pocinčani | Bijeli cink, plavo-bijeli cink, trovalentni krom | Više od 5 mikrona |
| Tvrdo kromiranje | Visoka tvrdoća | Više od 3 mikrona |
Zašto održavanje valjkastih transportera izravno utječe na vijek trajanja sustava Va...
Pročitajte višeŠto valjkasti transporter čini uistinu teškim? Valjkasti transporter za teške uvjete rad...
Pročitajte višeŠto su transporteri s valjcima i zašto je vrsta važna? Valjkasti transporteri s...
Pročitajte višeZašto valjkasti transporteri ostaju okosnica rukovanja materijalom Valjkasti transpo...
Pročitajte višeTransportni sustavi premještaju milijune tona materijala svaki dan kroz tvornice, skl...
Pročitajte višeDonošenje umijeća u budućnost.
No.60, Zhenhu North Road, grad Hudai, okrug Binhu , Wuxi 214100, Kina







