Jednostruki valjak za pogon zupčanika
Cat:Valjak za pričvršćivanje
Tip Veličina valjka Širina valjka Valjak ...
Napredna struktura, visokokvalitetna performansi, jednostavna za upotrebu, visoka pouzdanost i izdržljivost.
Valjci za pogon izdržava mogu biti pojedinačne ili dvostruke konfiguracije lančanika. Valjci s dvostrukim lančanicama češći su i nude različite kapacitete opterećenja na temelju promjera valjka, debljine stijenke i specifikacija zupčanika, s kompatibilnošću za europske, američke i nacionalne standardne sobe.

Tip Veličina valjka Širina valjka Valjak ...
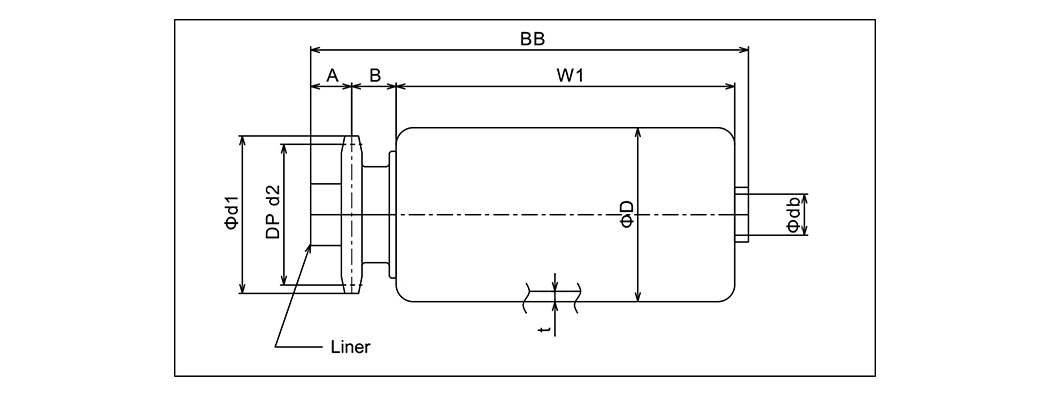
| Tip | Veličina valjka | Širina valjka | Valjak | Ležaj | Promjer osovine | Veličina obloga | Zupčanik | d | d2 | A | B | W1 | BBB |
| KR-384010S | 38.1 × 2.3 | 100 ~ 800 | STKM | 6001ZZ · 6201Z | 12.0 | 18 × 12,2 × 26 | #40 × 10TS | 46 | 41.1 | 12 | 14 | W-1 | W 28 |
| KR-424010S | 42,7 × 2,3 | 100 ~ 800 | STKM | 6001ZZ · 6201Z | 12.0 | 18x12.2 × 26 | #40 × 10TS | 46 | 41.1 | 12 | 14 | W | W 28 |
| KR-484010S | 48,6 × 3,5 | 100 ~ 800 | Sgp40a | 6001ZZ · 6201Z | 12.0 | 18 × 12,2 × 26 | #40 × 10TS | 46 | 41.1 | 12 | 11 | W 5 | W 28 |
| KR-504010S | 50,8 × 1.6 | 100 ~ 800 | STKM | 6001ZZ · 6201Z | 12.0 | 18 × 12,2 × 26 | #40 × 10TS | 46 | 41.1 | 12 | 13 | W-1 | W 28 |
| KR-574010S | 57.1 × 2.1 | 100 ~ 1000 | STKM | 6001ZZ · 6201Z | 12.0 | 18 × 12,2 × 26 | #40 × 10TS | 46 | 41.1 | 12 | 13 | W | W 28 |
| KR-604010S | 60,5 × 2,3 | 100 ~ 1000 | STKM | 6001ZZ · 6201Z | 12.0 | 18 × 12,2 × 26 | #40 × 10TS | 46 | 41.1 | 12 | 13 | W | W 28 |
| KR-605011 | 60,5 × 3. | 100 ~ 1000 | SGP50A | 6002ZZ | 15.0 | 21 × 15,2 × 41,5 · 21 × 15,2 × 12 | #50 × 11ts | 63 | 56.35 | 20 | 18 | W 3 | W 48 |
| KR-765011 | 76,3 × 4,2 | 100 ~ 1000 | Sgp65a | 6002ZZ | 15.0 | 21 × 15,2 × 41,5 · 21 × 152 × 12 | #50 × 11ts | 63 | 56.35 | 20 | 18 | W 2 | W 48 |
| KR-605013 | 60,5 × 3,8 | 100 ~ 1000 | SGP50A | 6004ZZ | 20.0 | 29 × 20,2 × 38,5 · 29 × 20,2 × 15 | #50 × 13ts | 73 | 66.34 | 20 | 18 | W 1 | W 48 |
| KR-765013 | 76,3 × 4,2 | 100 ~ 1000 | Sgp65a | 6004ZZ | 20.0 | 29x20.2x38,5 · 29 × 20,2 × 15 | #50 × 13ts | 73 | 66.34 | 20 | 18 | W 2 | W 48 |
| KR-895013 | 89,1 × 4,2 | 100 ~ 1000 | Sgp80a | 6004ZZ | 20.0 | 29 × 20,2x38,5 · 29 × 202x15 | #50 × 13ts | 73 | 66.34 | 20 | 18 | W | W 48 |
| KR-1146014S | 114,3 × 4,5 | 300 ~ 2000 | SGP100A | 6205ZZ | 25.0 | 35 × 26 × 19 · 35 × 26 × 21 | #60 × 14TS | 93 | 85.61 | 20 | 23 | W | W 58 |
| KR-1406016 | 139,8 × 4,5 | 300 ~ 2000 | SGP125A | 6206ZZ | 30.0 | 38 × 31,1 × 19 · 38 × 31,1 × 21 | #60 × 16TS | 107 | 97.65 | 20 | 23 | W | W 58 |

Tip Veličina valjka Širina valjka Valjak ...
| Tip | Veličina valjka | Širina valjka | Valjak | Ležaj | Promjer osovine | Veličina obloga | Zupčanik | D1 | d2 | A | B | C | W1 | BBB |
| KR-384010SW | 38.1 × 2.3 | 100 ~ 800 | STKM | 6001ZZ · 6201Z | 12.0 | 18 × 12,2 × 53 | #40 × 10TSW | 46 | 41.1 | 12 | 23 | 18 | W-1 | W 58 |
| KR-424010 | 42,7 × 2,3 | 100 ~ 800 | STKM | 6001ZZ · 6201Z | 12.0 | 18 × 12,2 × 53 | #40 × 10TSW | 46 | 41.1 | 12 | 23 | 18 | W | W 58 |
| KR-484010 | 48,6 × 3,5 | 100 ~ 800 | Sgp40a | 6001ZZ · 6201Z | 12.0 | 18 × 12,2 × 53 | #40 × 10TSW | 46 | 41.1 | 12 | 23 | 15 | W 5 | W 58 |
| KR-504010SW | 50,8 × 1.6 | 100 ~ 800 | STKM | 6001ZZ · 6201Z | 12.0 | 18 × 12,2 × 53 | #40x10Tsw | 46 | 41.1 | 12 | 23 | 18 | W-1 | W 58 |
| KR-574010SW | 57.1 × 2.1 | 100 ~ 1000 | STKM | 6001ZZ · 6201Z | 12.0 | 18 × 12,2 × 53 | #40 × 10TSW | 46 | 41.1 | 12 | 23 | 18 | W | W 58 |
| KR-604010SW | 60,5 × 2,3 | 100 ~ 1000 | STKM | 6001ZZ · 6201Z | 12.0 | 18 × 12,2 × 53 | #40 × 10TSW | 46 | 41.1 | 12 | 23 | 18 | W | W 58 |
| KR-605011SW | 60,5 × 3,8 | 100 ~ 1000 | SGP50A | 6002ZZ | 15.0 | 21x15.2 × 66,5 · 21 × 15.2x12 | #50 × 11tsw | 63 | 56.35 | 20 | 25 | 18 | W 3 | W 7 |
| KR-765011SW | 76,3 × 4,2 | 100 ~ 1000 | Sgp65a | 6002ZZ | 15.0 | 21 × 15,2 × 66,5 · 21 × 15,2 × 12 | #50 × 11tsw | 63 | 56.35 | 20 | 25 | 18 | W 2 | W 73 |
| KR-605013SW | 60,5 × 3,8 | 100 ~ 1000 | SGP50A | 6004ZZ | 20.0 | 29 × 20,2 × 63,5 · 29 × 20,2 × 15 | #50 × 13tsw | 73 | 66.34 | 20 | 25 | 18 | W 1 | W 73 |
| KR-765013 | 76,3 × 4,2 | 100 ~ 1000 | Sgp65a | 600422 | 20.0 | 29 × 20,2 × 63,5 · 29 × 20,2x15 | #50 × 13tsw | 73 | 66.34 | 20 | 25 | 18 | W 2 | W 73 |
| KR-895013 | 89,1 × 4,2 | 100 ~ 1000 | Sgp80a | 6004ZZ | 20.0 | 29 × 20,2 × 63,5 · 29 × 20,2 × 15 | #50 × 13tsw | 73 | 66.34 | 20 | 25 | 18 | W | W 73 |

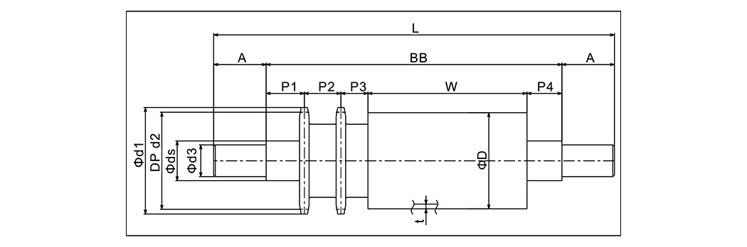
Tip Veličina valjka Širina Matenal Nosač ...
| Tip | Veličina valjka | Širina | Matenal | Nosač | Promjer osovine | Zupčanik | D1 | d2 | d3 | A | L | BBB | P1 | P2 | P3 | P4 |
| KPR-574015SWW | 57,2 × 2,6 | 300 ~ 2000 | STKM | UCPA204 | 25xW 152 | #40 × 15TSW | 67 | 61.08 | 20 | 33 | W 152 | W 86 | 24 | 23 | 17 | 22 |
| KPR-604015SW | 60,5 × 3,8 | 300 ~ 2000 | STKM | UCPA204 | 25xW 152 | #40 × 15TSW | 67 | 61.08 | 20 | 33 | W 152 | W 86 | 24 | 23 | 17 | 22 |
| KPR-765013SWW | 76,3 × 4,2 | 300 ~ 2000 | Sgp65a | UCPA204 | 25xW 163 | #50 × 13tsw | 73 | 66.34 | 20 | 33 | W 163 | W 97 | 32 | 25 | 18 | 22 |
| KPR-895013SWW | 89,1 × 4,2 | 300 ~ 2000 | Sgp80a | UCPA206 | 35xW 169 | #50 × 13tsw | 73 | 66.34 | 30 | 39 | W 169 | W 91 | 29 | 25 | 18 | 19 |
| KPR-1015018 | 101,6 × 4,5 | 300 ~ 2000 | Sgp90a | UCPA206 | 35xW 169 | #50 × 18tsw | 98 | 91.42 | 30 | 39 | W 169 | W 91 | 29 | 25 | 18 | 19 |
| KPR-1145018 | 114,3 × 4,5 | 300 ~ 2000 | SGP100A | UCPA206 | 35xW 169 | #50 × 18tsw | 98 | 91.42 | 30 | 39 | W 169 | W 91 | 29 | 25 | 18 | 19 |
| KPR-1405018 | 139,8 × 4,5 | 300 ~ 2000 | SGP125A | UCPA206 | 35xW 169 | #50 × 18tsw | 98 | 91.42 | 30 | 39 | W 169 | W 91 | 29 | 25 | 18 | 19 |
Zašto održavanje valjkastih transportera izravno utječe na vijek trajanja sustava Va...
Pročitajte višeŠto valjkasti transporter čini uistinu teškim? Valjkasti transporter za teške uvjete rad...
Pročitajte višeŠto su transporteri s valjcima i zašto je vrsta važna? Valjkasti transporteri s...
Pročitajte višeZašto valjkasti transporteri ostaju okosnica rukovanja materijalom Valjkasti transpo...
Pročitajte višeTransportni sustavi premještaju milijune tona materijala svaki dan kroz tvornice, skl...
Pročitajte višeDonošenje umijeća u budućnost.
No.60, Zhenhu North Road, grad Hudai, okrug Binhu , Wuxi 214100, Kina







