HJR-2015B
Cat:Transporter valjka od smole
Širina valjka W (mm) 100 200 300 400 ...
Napredna struktura, visokokvalitetna performansi, jednostavna za upotrebu, visoka pouzdanost i izdržljivost.
Potrojnici za smole obično sadrže PVC valjke s integriranim ležajem smole i osovinom. Opcije okvira uključuju čelik obložene prahom, nehrđajući čelik ili aluminij. Ova vrsta transportera prikladna je za predmete s laganim opterećenjem, a primjenjiva je i u prehrambenoj, farmaceutskoj i kemijskoj industriji.

Širina valjka W (mm) 100 200 300 400 ...
| Širina valjka W (mm) | 100 | 200 | 300 | 400 | 500 | |
| Širina transportera W 45 (mm) | 145 | 245 | 345 | 445 | 545 | |
| Umetanje valjka (kg) | 11.5 | 10.7 | 10 | 9.2 | 7.0 | |
| 2000L težina transportera (kg) | 25p | 4.3 | 6.4 | 8.5 | 10.7 | 12.8 |
| 30p | 3.8 | 5.7 | 7.5 | 9.4 | 11.3 | |
| Težina valjka (G) | 33 | 55 | 78 | 100 | 12.2 | |

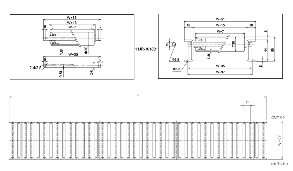
Širina valjka W (mm) 100 200 300 400 ...
| Širina valjka W (mm) | 100 | 200 | 300 | 400 | |
| Širina transportera W 45 (mm) | 145 | 245 | 345 | 445 | |
| Umetanje valjka (kg) | 13.5 | 12.6 | 12.5 | 11.8 | |
| 2000L težina transportera (kg) | 30p | 6.5 | 8.5 | 11 | 19 |
| 40p | 5 | 7.5 | 10 | 12.3 | |
| Težina valjka (G) | 50.5 | 75 | 115 | 145 | |

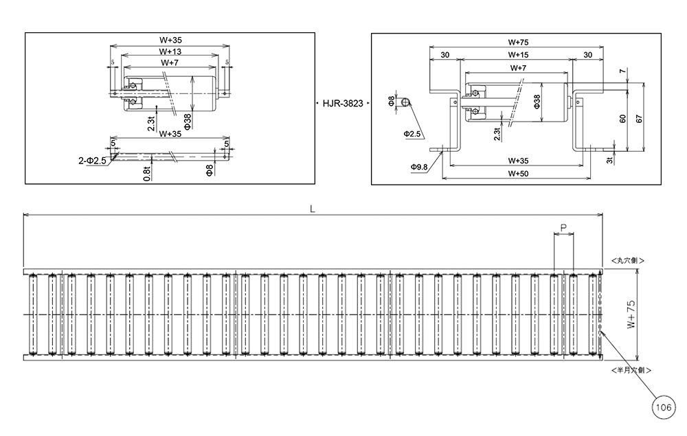
Širina valjka W (mm) 100 200 300 400 ...
| Širina valjka W (mm) | 100 | 200 | 300 | 400 | 500 | |
| Širina transportera W 51 (mm) | 151 | 251 | 351 | 451 | 551 | |
| Umetanje valjka (kg) | 16.5 | 15.7 | 15 | 14.2 | 13.5 | |
| 1500L Težina transportera (kg) | 40p | 7.2 | 10.8 | 14.5 | 18 | 21.7 |
| 50p | 6.2 | 9.2 | 12.2 | 15.1 | 18.2 | |
| Težina valjka (G) | 64 | 106 | 149 | 191 | 235 | |

Širina valjka W (mm) 100 200 300 400 ...
| Širina valjka W (mm) | 100 | 200 | 300 | 400 | 500 | |
| Širina transportera W 75 (mm) | 175 | 275 | 375 | 475 | 575 | |
| Umetanje valjka (kg) | 21.5 | 20.8 | 20.1 | 19.5 | 18.6 | |
| 3000L težina transportera (kg) | 50p | 11.5 | 15.2 | 18.8 | 22.5 | 26.2 |
| 75p | 9.7 | 12.3 | 14.8 | 17.5 | 20.0 | |
| Težina valjka (G) | 91 | 145 | 199 | 253 | 307 | |

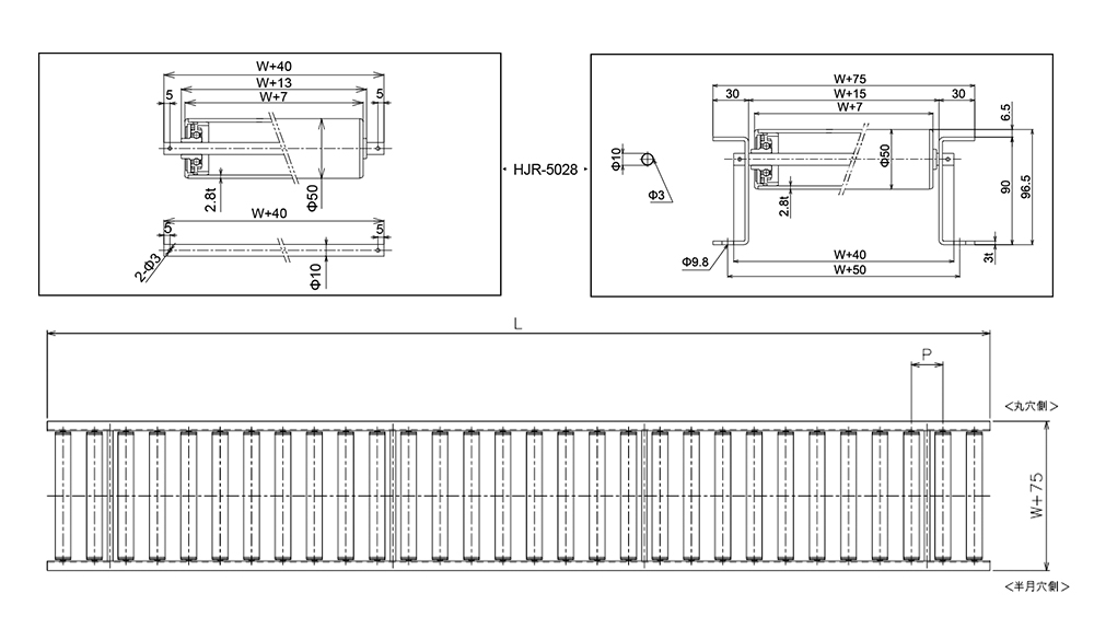
Širina valjka W (mm) 100 200 300 400 ...
| Širina valjka W (mm) | 100 | 200 | 300 | 400 | 500 | 600 | |
| Širina transportera W 75 (mm) | 175 | 275 | 375 | 475 | 575 | 675 | |
| Umetanje valjka (kg) | 32 | 31 | 30 | 29.5 | 28.5 | 27.7 | |
| 3000L težina transportera (kg) | 75p | 13.5 | 17.7 | 22.0 | 26.1 | 30.5 | 34.1 |
| 100p | 12.1 | 15.3 | 18.6 | 21.9 | 25.2 | 27.8 | |
| Težina valjka (G) | 148 | 243 | 339 | 435 | 530 | 626 | |

Širina valjka W (mm) 100 200 300 400 ...
| Širina valjka W (mm) | 100 | 200 | 300 | 400 | 500 | 600 | |
| Širina transportera W 75 (mm) | 175 | 275 | 375 | 475 | 575 | 675 | |
| Umetanje valjka (kg) | 35 | 34 | 33 | 30 | 29 | 28.5 | |
| 3000L težina transportera (kg) | 75p | 14.4 | 19.3 | 24.2 | 29.0 | 34.0 | 38.2 |
| 100p | 12.7 | 16.5 | 20.3 | 23.9 | 27.8 | 30.9 | |
| Težina valjka (G) | 172 | 283 | 395 | 506 | 617 | 728 | |
Zašto održavanje valjkastih transportera izravno utječe na vijek trajanja sustava Va...
Pročitajte višeŠto valjkasti transporter čini uistinu teškim? Valjkasti transporter za teške uvjete rad...
Pročitajte višeŠto su transporteri s valjcima i zašto je vrsta važna? Valjkasti transporteri s...
Pročitajte višeZašto valjkasti transporteri ostaju okosnica rukovanja materijalom Valjkasti transpo...
Pročitajte višeTransportni sustavi premještaju milijune tona materijala svaki dan kroz tvornice, skl...
Pročitajte višeDonošenje umijeća u budućnost.
No.60, Zhenhu North Road, grad Hudai, okrug Binhu , Wuxi 214100, Kina







